联系电话:
1379150091
山东佳和阀门科技有限公司
以诚信赢得声誉·以质量保证效益
网站首页
产品中心
新闻资讯
生产车间
荣誉资质
关于我们
山东运营仓储中心
联系我们
热门关键字:
阀门系列
PPR系列球阀
丝接铜球阀系列
暖通系列
锁闭阀系列
您的位置:
主页
>
产品中心
>
阀门系列
>
产品中心
阀门系列
PPR系列球阀
丝接铜球阀系列
暖通系列
锁闭阀系列
超声波热量表
燃气阀系列
不锈钢系列阀门
分水器系列
电动两通阀系列
铜球球阀系列
铸铁阀门系列
全国服务热线
1379150091
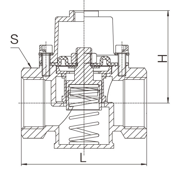
5022 自立式压差控制阀
皇冠阀门5022自立式压差控制阀
在线咨询
全国热线
1379150091
详细信息
热品推荐
/ Hot product
PPR球阀
捷达阀门 PPR球阀DN20-DN63
5019 铜制浮子式自动排气阀
皇冠阀门5019铜制浮子式自动排气阀
QQ咨询
服务热线
1379150091
返回顶部