山东佳和阀门科技有限公司 捷达阀门 皇冠阀门

联系电话: 1379150091
山东佳和阀门科技有限公司 以诚信赢得声誉·以质量保证效益
您的位置: 主页 > 产品中心 > 电动两通阀系列 >

全国服务热线

1379150091
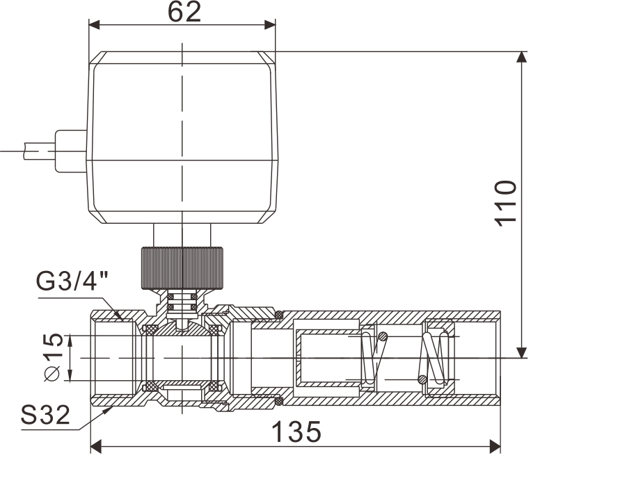
7063 动态平衡电动二通阀(Q11F-16T)
皇冠阀门7063 动态平衡电动二通阀(Q11F-16T)
全国热线

1379150091

详细信息


7063 动态平衡电动二通阀(Q11F-16T)

产品概述:

本系列动态平衡电动二通阀具有流量动态平衡功能和电动开关功能的一体阀。是一种在设计工作压差范围内自动恒定流量的高精度控制阀门,能够根据阀门进出中口压差的变化,动态地改变阀胆流通面积的大小,使输出流量始终保持恒定,并能根据温控器要求,执行器接受开关阀广的信号从而开启或关闭阀门。

产品特点:

1.驱动器为直行程,互换性好。
2.流量误羞≤5%
3.稳定:来端设备的流量变化不受系统压力波动的影响,流量变化不互相干扰。
4.节能: 较传统的系统节能6% - 20%
5.高效:大大缩短调试时间,系统运行具有高效率。
6.舒适:设控温度精度更高,比传统变流量系統更舒适。
7.阀体材料:锻造黄铜、阀杆材料:不锈钢、密封材料;氟橡胶,内件:黄铜、不锈钢。

热品推荐 / Hot product
7061 电动二通球阀(Q911F-16T)

7061 电动二通球阀(Q911F-16T)

皇冠阀门7061 电动二通球阀(Q911F-16T)
7099 电磁阀(J011X-16T)

7099 电磁阀(J011X-16T)

皇冠阀门7099 电磁阀(J011X-16T)
7104 三通电动球阀(R914F-16T)

7104 三通电动球阀(R914F-16T)

皇冠阀门7104 三通电动球阀(R914F-16T)